平兴电子
首页
关于平兴
公司简介
企业文化
资质荣誉
生产管理
新闻动态
公司新闻
行业资讯
产品展示
金属按扭系列
指示灯系列
连接器系列
触摸系列
大电流系列
获取支持
服务支持
下载中心
营销网络
联系我们
中
EN
首页
>
产品展示
金属按扭系列
指示灯系列
连接器系列
触摸系列
大电流系列
PX19A-G10J 金属按钮开关
产品特点
头部形状:G-高平圆形
开关组合 : 10-1 NO
接线类型 : J-接线柱式
外壳材质 : S 不锈钢 N 黄铜镀镍 A 铝合金氧化
操作形式 : F-自复式
面板厚度: 1~6 mm
防水等级: IP66
防护等级: IK08
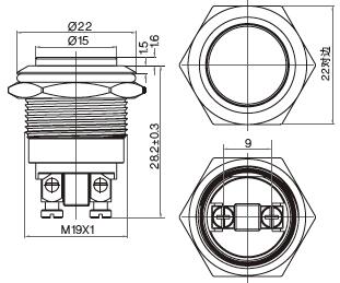
尺寸图
型号说明
安装图
技术参数
安装孔尺寸:Φ19mm
开关额定值: 2A/36VDC
开关组合:1N0,符号 sign
操作类型: 自复式
开关型式: 慢动双触点
接触电阻: ≤50mΩ
绝缘电阻: ≥1000mΩ
绝缘强度: 2000VAC
环境温度: -20℃ ~ +55℃
机械寿命: 100万次以上 >1
电器寿命: 20万次以上 >0.2
螺母扭矩: 5~14N.m
操作压力: ≤4N
操作行程: ≤2mm
外壳/按键: 不锈钢/黄铜镀镍/铝合金氧化
基座: 工程塑料
触点:银合金
上个产品:没有了!
返回
下个产品:PX19A-P10J
销售热线:0577-62376911
E-mail:pxing2004@pxing.com.cn
地址:浙江省乐清市虹桥镇东工业区C#
公司简介
产品中心
新闻资讯
资质荣誉
营销网络
联系我们
关注分享
微信公众号
手机官网
版权所有:2017 © 乐清市平兴电子有限公司
浙ICP备2020036782号-1
亿新科技
技术支持