平兴电子
首页
关于平兴
公司简介
企业文化
资质荣誉
生产管理
新闻动态
公司新闻
行业资讯
产品展示
金属按扭系列
指示灯系列
连接器系列
触摸系列
大电流系列
获取支持
服务支持
下载中心
营销网络
联系我们
中
EN
首页
>
产品展示
金属按扭系列
指示灯系列
连接器系列
触摸系列
大电流系列
PX16B-P11 金属按钮开关
产品特点
头部形状: P-平圆形
开关组合: 11-1 NO1NC 22-2NO2NC
接线类型: Y-引脚式
外壳材质: S 不锈钢 N 黄铜镀镍 A 铝合金氧化
操作形式: Z-自锁式 F-自复式
面板厚度: 1~15 mm
防水等级: IP65
防护等级: IK09
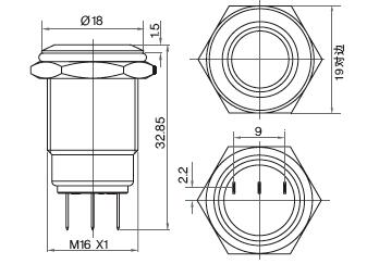
尺寸图
型号说明
安装图
技术参数
安装孔尺寸:Φ16mm
开关额定值:2A/36VDC
开关组合:1N0,符号
操作类型:自复式
开关型式:慢动双触点
接触电阻:≤50mΩ
绝缘电阻:≥1000mΩ
绝缘强度:2000VAC
环境温度:-20℃ ~ +55℃
机械寿命:100万次以上 >1mt
电器寿命:20万次以上 >0.2mt
螺母扭矩:5~14N.m
操作压力:≤4N
操作行程:≤2mm
外壳/按键:不锈钢/黄铜镀镍/铝合金氧化
基座:工程塑料
触点:银合金
上个产品:PX16B-G11
返回
下个产品:PX16B-G11-E
销售热线:0577-62376911
E-mail:pxing2004@pxing.com.cn
地址:浙江省乐清市虹桥镇东工业区C#
公司简介
产品中心
新闻资讯
资质荣誉
营销网络
联系我们
关注分享
微信公众号
手机官网
版权所有:2017 © 乐清市平兴电子有限公司
浙ICP备2020036782号-1
亿新科技
技术支持